Skip to content Skip to sidebar Skip to footer

Onan 16 Hp Engine Rebuild Kit cost of overhauling Onan's - Yesterday's Tractors

P216 P218 P220 B43 B48 Pistons, Gaskets & Seals  - Amazon.com
P216 P218 P220 B43 B48 Pistons, Gaskets & Seals - Amazon.com

Gaskets & Seals Engine Rebuild Kit Fits Onan Engines: Engine Kit Gasket Rebuild Kit For Opposed Twin Cylinder Briggs & Stratton Engines 16hp-18hp 

I have JD 318 W/18 hp Onan. Where can I buy a rebuild kit?
I have JD 318 W/18 hp Onan. Where can I buy a rebuild kit?

The ONAN engine parts for the John Deeres are getting hard to find. There are several parts that have been obsolete for a while now and the 

cost of overhauling Onan's - Yesterday's Tractors
cost of overhauling Onan's - Yesterday's Tractors

I may have a chance to get an Onan 16 or 18 hp out of a small gehl skidsteer loader. (valves, pistons, rings, gaskets, rod and main) to overhaul it.

onan engine rebuild kit? - Yesterday's Tractors
onan engine rebuild kit? - Yesterday's Tractors

Even all of the sheetmetal for the blower housing fit..!! Sure has a lot more power..Original rating for that mower was 16 HP--I would guess 

16 Hp Onan Engine Rebuild Kit FOR SALE! - PicClick
16 Hp Onan Engine Rebuild Kit FOR SALE! - PicClick

16 Hp Onan Engine Rebuild Kit FOR SALE!. Shop the Largest Selection, Click to See! Search eBay faster with PicClick. Money Back Guarantee ensures YOU 

Need rebuild kit for Onan 18 HP en - Yesterday's Tractors
Need rebuild kit for Onan 18 HP en - Yesterday's Tractors

Hello,I have a JD316. Does anyone know a source for a engine rebuild kit for the Onan 18 HP motor?Thanks,Greg.

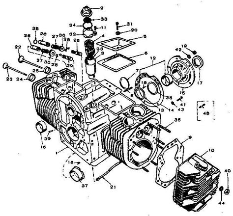
By Engine Model - Onan B, P, and CCK - iSaveTractors
By Engine Model - Onan B, P, and CCK - iSaveTractors

Carburetor Rebuild Kit for Onan CCK CCKA Engines. Add to Cart Compare. Quick view Oil Filter for Kohler MV16, MV18, M18, MV20, M20, Onan P218, P220.

16 Hp Onan Engine Parts - Amazon.com
16 Hp Onan Engine Parts - Amazon.com

Lot Onan Engine 16 18 20 24 Hp Service Parts Shop Repair Overhaul Manual P216 P218 P220 One (1) Engine Maintenance Kit for Onan Models: NHA, NHB, B43.

Complete Onan Rebuild Kits
Complete Onan Rebuild Kits

Complete rebuild kits for Onan engines.

Onan 16hp Lawn Mower Parts & Accessories for sale | eBay
Onan 16hp Lawn Mower Parts & Accessories for sale | eBay

Shop great deals on Onan 16hp Lawn Mower Parts & Accessories. Get outdoors for some landscaping or spruce up your garden! Shop a huge online selection at